English
Español
Português
русский
Français
日本語
Deutsch
tiếng Việt
Italiano
Nederlands
ภาษาไทย
Polski
한국어
Svenska
magyar
Malay
বাংলা ভাষার
Dansk
Suomi
हिन्दी
Pilipino
Türkçe
Gaeilge
العربية
Indonesia
Norsk
تمل
český
ελληνικά
український
Javanese
فارسی
தமிழ்
తెలుగు
नेपाली
Burmese
български
ລາວ
Latine
Қазақша
Euskal
Azərbaycan
Slovenský jazyk
Македонски
Lietuvos
Eesti Keel
Română
Slovenski
मराठी
Srpski језик
ఉత్పత్తి లక్షణాలు
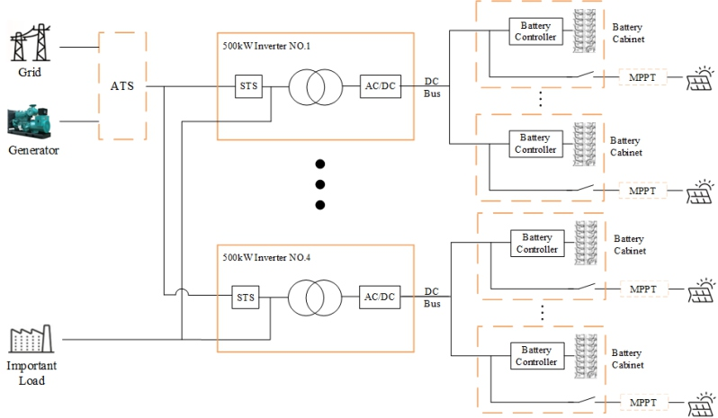
1.500 kW కంటే ఎక్కువ లోడ్లు, పెద్ద-సామర్థ్యం 500 kW సింగిల్-యూనిట్ ఎనర్జీ స్టోరేజ్ ఇన్వర్టర్ను ఉపయోగించాలని సిఫార్సు చేయబడింది, ఇవి నాలుగు సెట్ల సమాంతర కనెక్షన్లకు మద్దతు ఇవ్వగలవు, 2 MW యొక్క అటోటల్ పవర్ అవుట్పుట్ను సాధించగలవు;
2. బహుళ 500 kW సిస్టమ్లను సమాంతరంగా ఆపరేట్ చేస్తున్నప్పుడు మరియు STS అంతటా వివిధ 500 kW ఇన్వర్టర్లను పంపిణీ చేస్తున్నప్పుడు, గ్రిడ్ టై-పాయింట్ నుండి లోడ్ టై-పాయింట్ వరకు కేబుల్ లెంగ్త్ స్థిరంగా ఉండేలా చూసుకోవడం చాలా ముఖ్యం
3.హైబ్రిడ్ ESS DC-కపుల్డ్ ఫోటోవోల్టాయిక్ ఇంటిగ్రేషన్ను ఉపయోగిస్తుంది, అధిక శక్తి మార్పిడి సామర్థ్యాన్ని సాధించడం మరియు లోడ్ డిమాండ్ను మించిన PV ఉత్పత్తి సామర్థ్యంతో ఆఫ్-గ్రిడ్ దృశ్యాల కోసం ఆప్టిమైజ్ చేయబడింది; అవుట్డోర్-రేటెడ్ MPPT
కంట్రోలర్లు కాంబినర్ మరియు MPPT కార్యాచరణలను ఒకే గట్టిపడిన ఎన్క్లోజర్గా అనుసంధానిస్తాయి. పూర్తి సిస్టమ్లో డీజిల్ జనరేటర్ ATS ఎంపిక, 300kW హైబ్రిడ్ ఇన్వర్టర్, PV MPPT కంట్రోలర్ మరియు బ్యాటరీ ఉన్నాయి.
శక్తి నిల్వ వ్యవస్థ.


స్పెసిఫికేషన్
| మోడల్స్ | P500TS-400-A | |
|
DC-సైడ్ పారామితులు |
వోల్టేజ్ పరిధి | 500-950V |
| గరిష్ట కరెంట్ | 1128A | |
| రేట్ చేయబడిన అవుట్పుట్ పవర్ | 500kW | |
|
AC-సైడ్ పారామితులు (గ్రిడ్-కనెక్ట్ చేయబడింది) |
గరిష్ట అవుట్పుట్ శక్తి | 550kW |
| రేట్ చేయబడిన అవుట్పుట్ కరెంట్ | 722A | |
| THDi | <3% | |
| గ్రిడ్ రకం | 3W+N+PE | |
| వోల్టేజ్ పరిధి | 360VAC~440VAC | |
| ఫ్రీక్వెన్సీ పరిధి | 45~55Hz/55~65Hz | |
| శక్తి కారకం | -1~1 | |
| రేట్ చేయబడిన అవుట్పుట్ పవర్ | 500kW | |
|
AC సైడ్ పారామితులు (ఆఫ్-గ్రిడ్) |
రేట్ చేయబడిన అవుట్పుట్ వోల్టేజ్ | 400V |
| రేట్ చేయబడిన అవుట్పుట్ ఫ్రీక్వెన్సీ | 50/60Hz | |
| THDu | <1%లీనియర్ లోడ్,<5%నాన్-లీనియర్ లోడ్ | |
| ఓవర్లోడ్ సామర్థ్యం | 110%10 నిమిషాలు | |
| నిర్వహణ బైపాస్ స్విచ్ | 1250A | |
|
ఆఫ్-గ్రిడ్ స్విచ్ మరియు స్విచ్ కాన్ఫిగరేషన్ |
DC స్విచ్ | 1250A |
| లోడ్ స్విచ్ | 1250A | |
| గ్రిడ్ స్విచ్ | 1250A | |
| STS యూనిట్ | 1155A/800kW | |
| మారుతున్న సమయం | <20మి.సి | |
|
సిస్టమ్స్ పారామితులు |
పీక్ సామర్థ్యం | 97.5% |
| ఆపరేటింగ్ ఉష్ణోగ్రత | -30℃55℃ (40℃ కంటే ఎక్కువగా ఉంది) | |
| సాపేక్ష ఆర్ద్రత | 0 నుండి 95% RH, నాన్-కండెన్సింగ్ | |
| కొలతలు(L*D*H) | 1600×1050×2050మి.మీ | |
| బరువు | 2700కిలోలు | |
| IPగ్రేడ్ | IP21 IP21(పూర్తి యంత్రం) | |
| శబ్దం | <70dB | |
| డిస్ప్లే స్క్రీన్ | LCD | |
| BMS కమ్యూనికేషన్ | చెయ్యవచ్చు | |
| EMS కమ్యూనికేషన్ | TCP/IP | |